(漫反射型和反射板型)超聲波傳感器UB1000-18GM75-U-V15
| 【產品功能描述】 | |
| 超聲波傳感器(UB1000-18GM75-U-V15)系列超聲波接近開關是超聲波物體檢測的最簡單形式。發射器和接收器集成在一個外殼中。超聲波直接從被測物體反射到接收器。具有示教功能的超聲波傳感器與傳統類型的不同之處在于,它們只需按一下按鈕即可提供更輕松、更多樣化的操作性。 | ||
| 【附件產品】 | ||
·安裝附件:OMH-04 ·安裝附件:BF 5-30 ·安裝附件:BF 18 ·安裝附件:BF 18-F ·導向板:UVW90-K | ·電纜連接器:V15-G-2M-PVC ·電纜連接器:V15-W-2M-PVC ·輔助安裝件:M18K-VE ·編程附件:UB-PROG2 | |
產品·特點
——超聲波傳感器UB1000-18GM75-U-V15產品特性——
●模擬量0...10 V輸出 ●測量窗口可調 ●可選聲錐寬度 ●TEACH-IN程序輸入 ●同步選項功能 ●接近開關關閉功能 ●溫度補償 ●盲區很小 |
|
產品·規格參數
——超聲波傳感器UB1000-18GM75-U-V15產品性能——
通用規格參數——
·檢測范圍:70...1000 mm
·調節范圍:90...1000 mm
·盲區:0...70 mm
·標準目標板:100 mm x 100 mm
·換能器頻率:約255 kHz
·響應延時:約125 ms
工作方式——
·LED黃色:黃燈常亮:物體在檢測范圍內;黃燈閃爍:TEACH-IN狀態下檢測到目標物
·LED紅色:常亮:出錯;紅燈閃爍:TEACH-IN狀態下未檢測到目標物
·工作電壓:15...30 V DC,紋波10%SS
·空載電流I0:≤50 mA
輸出——
·輸出形式:1個模擬量輸出0...10 V
·分辨率:0.35 mm
·特性曲線偏差:滿量程值的±1%
·重復精度:滿量程值的±0.1%
·負載阻抗:>1 kOhm
·溫度漂移:滿量程值的±1.5%
工作環境——
·環境溫度:-25...70oC(248...343 K)
·儲存溫度:-40...85oC(233...358 K)
機械特性——
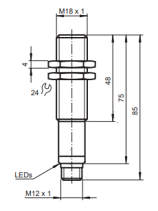
·防護等級:IP65
·連接方式:V15連接器(M12 x 1),5針
·外殼:黃銅鍍鎳
·換能器:環氧樹脂/空心玻璃球混合物;聚氨基甲酸酯泡沫體
·重量:60克

安裝條件:——
如果接近開關安裝于環境溫度可能低于0°C的現場時,就必須使用安裝附件BF 18,BF 18-F或BF 5-30中的一種來固定。在使用鋼螺母將接近開關直接安裝在一個通孔的情況下,接近開關必須被固定在安裝螺紋的中央。如果一定要固定在安裝螺紋的前端,就必須使用帶定位環的塑料螺母(附件)。



