直線電機
張力控制
直接驅動電機(DD馬達)
博揚組合閥
咨詢熱線0755-26993877
Rexroth/力士樂波紋管式氣缸特點:
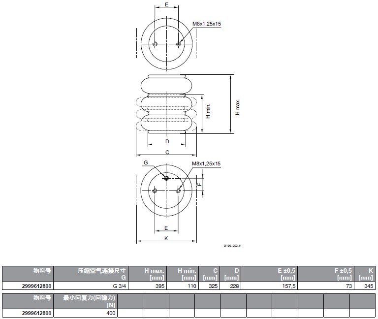
Rexroth/力士樂波紋管式氣缸尺寸:
手機/微信:
15012713703
傳 真:0755-26684891
電子郵箱:luosiyan@sztengcang.com
公司地址:深圳市寶安區新安街道67區甲岸科技園1號廠房1區5樓